- Bridging the Terahertz Gap
- Modeling the Lithium-Ion Battery
- Protection contre la Corrosion
- Modélisation des batteries
- Modélisation et Simulation dans le développement des piles à combustible
- Modélisation thermique des petits satellites
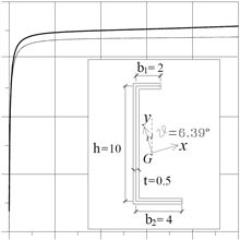
- Analyse électro-vibroacoustique d'un transducteur à armature équilibrée
Consultez les proceedings de la Conference COMSOL 2024
The Constrained Vapor Bubble is a fundamental fluid mechanics experiment that is scheduled to run aboard the International Space Station starting in August 2009. The experiment is focused on looking at evaporation and condensation processes at the contact line, where vapor, liquid and ... En savoir plus
The goal of this study was to determine the possibility of using the finite element in COMSOL Multiphysics program to obtain a high accuracy solution to a moving boundary problem, specifically, the solidification of copper. A one-dimensional geometry in Cartesian coordinates was used to ... En savoir plus
Heat transfer in a plane shear flow configuration consisting of two infinitely long parallel plates is considered. In laminar flows over undulated substrates eddies can be generated due to the kinematical constraints. A closed form analytical solution for the velocity field, based on ... En savoir plus
We present a modeling software package developed at Ostendo Technologies for analysis and design of semiconductor laser and light-emitting diodes. The current database of material parameters supports complete group of III-Nitride alloys used in visible spectrum applications and can be ... En savoir plus
Viscous fingering is a topic of interest since the beginning of computational fluid dynamics. Here we focus on the classical constellation of miscible displacement, as it has been investigated in Hele-Shaw cells. A temperature or salinity front is entering with a fluid that has a ... En savoir plus
The last glacial cycle in the Northern Hemisphere started approximately 120,000 year ago. During that cycle, Southern Ontario was buried under a continental ice cap, with a maximum thickness of up to 3km. The ice cap retreated approximately 10,000 years ago. The COMSOL Multiphysics code ... En savoir plus
Singlet oxygen (1O2) is the major cytotoxic agent during type-II photodynamic therapy (PDT). The production of 1O2 involves the complex reactions among cancer agent, oxygen molecule, and treatment laser light. The light propagation in tumor tissue is described by the diffusion equation. ... En savoir plus
COMSOL has been used to model the propagation of electromagnetic waves in fusion plasmas. For the first time, a finite element method has been used to solve the wave propagation for realistic fusion plasma parameters in the lower hybrid and ion cyclotron frequency ranges. Moreover, for ... En savoir plus
Using COMSOL Multiphysics 3.5, a numerical model has been developed to determine the effect of the channel geometry and electrode configuration on cell performance based on polarization curves. The Butler-Volmer equation was implemented to determine the reaction rates at the electrodes. ... En savoir plus
The existing lithium ion battery model in COMSOL’s Multiphysics software is extended to include the thermal effects. The thermal behavior of a lithium ion battery is studied during the galvanostatic discharge process with and without a pulse. The existing lithium ion battery model in ... En savoir plus
